產品詳情
一、脈沖布袋除塵器簡介
脈沖布袋除塵器,業內也經常稱為
袋式除塵器、脈沖除塵器。按布袋的形狀結構又分為圓布袋除塵器與扁布袋除塵器。采用布袋作為核心過濾單元,利用電磁脈沖閥,啟閉壓縮空氣噴吹布袋清灰作業的除塵器。應用使用比較廣泛,大風量、高濃度粉塵工況下的設計,通常會選用氣箱式結構,N+1室的布置,離線清灰。
除塵是物理攔截過程,簡單的說,好比一個篩子,顆粒尺寸大于篩孔的粉塵被攔截,顆粒尺寸小于篩孔的則可以穿透,因此篩子孔越細,粉塵的攔截效率越高,不同的排放濃度要求,選用不同孔徑大小的濾料。
工藝流程:
污染源產生點→吸罩收集→支風管抽風→主風管抽風→除塵器過濾→動力風機→排風。
類似廚房油煙機的工作原理。
二、脈沖除塵器設備特點
(1)在過濾總面積不變的前提下,布袋的直徑以及長度仍然是千變萬化,屬于非標產品,因此可以根據現場空間,量身定制。
(2)布袋的材質有多種可選,常溫的、高溫的、防靜電的、阻燃的等等。目前通常O高溫度≦230℃,例如800℃的高溫煙氣,需要經過冷卻裝置冷卻至200℃左右才能進除塵器,某些時候還需加裝應急旁通排空閥等等。常溫布袋除塵器簡單;但高溫,則有一定的技術含量。
(3)布袋的基材有長纖維與短纖維之分,短纖維過濾精度低,袋子使用壽命短。
(4)PTFE覆膜濾袋,對于1UM顆粒物除塵效率可達99%以上,排放濃度≤10毫克/立方米。
(5)DMC型的布袋除塵器,采用模塊化制造,積木式拼裝,方便升級成超O除塵器,頂部加裝空氣過濾器,上下一體的模塊構造,對于0.3UM顆粒物除塵效率可達99.9%以上,排放濃度≤0.5毫克/立方米。
(6)布袋除塵器適用廣泛,歷史悠久,工藝成熟,經濟實用,除塵器家族中的老大哥。
三、脈沖除塵器設備參數
根據《工業除塵器設計手冊》的理論依據,選擇合適的布袋除塵器

以下型號:DMC (傳統型)
風速:1.2米/分為例 ,下箱體高度:2750MM,布袋以130、160布袋為標準。
除塵器總高度=上箱體+下箱體
根據市場通用鋼板的尺寸,定義合適的組合為模塊,以確保花板的完整性,避免花板拼接焊接,提高材料利用率。
一個組合為1個模塊,一個模塊對應1只灰斗,或所有模塊組合選用1只船型漏斗,配備螺旋絞龍輸灰裝置。
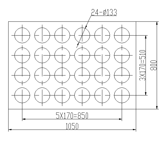
以下為:DMC24型脈沖除塵器組合
同樣的風量,除塵設備可以有不同的尺寸,不同的組合,2.5-3米的布袋是O常用機型。
三、脈沖除塵器設備實拍
四、脈沖除塵器使用范圍
(1)適用于混凝土攪拌站、倉頂除塵、礦石破碎、金屬加工、橡膠輪胎、煙草提煉、食品加工、精細化工、糧食、制藥、電子、冶煉、紡織等行業的煙塵治理凈化。
(2)近期熱門應用場景:高溫生物質鍋爐除塵、高溫玻璃熔爐除塵、高溫RTO尾氣收塵。
(3)可祛除顆粒物粉塵等,同時也作為某些有價值粉塵(貴重金屬、稀土粉塵、石墨烯粉塵等)的回收收塵裝置。
(4)布袋的材質選型廣泛,滌綸針刺氈為O基本常見的布袋材質。PPSPTFE耐溫可達230攝氏度。
(5)如果有足夠的安裝空間及位置,選用布袋除塵器廉價經濟實惠。由于更換布袋為上抽式,因此占用空間高度為除塵器高度+布袋籠架高度
(6)如果對排放濃度沒有苛刻要求,布袋除塵器的耗材廉價可選擇空間大。通常布袋長度小于3米時適合公路運輸,超長布袋只能現場施工制作除塵器。
(7)根據溫度及粉塵的濃度,需要加裝預處理裝置,降溫、阻火、保溫、噴淋、防爆等措施。
五、鈺泰環保售后服務
(1)產品使用過程中,有任何問題,請聯系鈺泰環保售后服務熱線8315405
(2)鈺泰環保15年信譽積累,所售產品一年內免費保修,并提供終身售后服務。
(3)質保期內,2小時內作出電話響應回復,華北地區24小時內趕到現場。
(4)外省地區48小時內趕到現場。
(5)包修期外,依舊提供售后服務,如需更換耗材,只收取成本價。
(6)綠色環保路,鈺泰伴您行,我們會竭盡全力為您服務。
(7)做一單生意,交一個朋友,我們會做得更好。